98 Dodge Ram Radio Wiring / 1998 Dodge Ram 2500 Speaker Wiring Diagram / 98 Dodge Ram 1500 Stereo Wiring Diagram - Wiring ... - A diagram of all the wires and w.

98 Dodge Ram Radio Wiring / 1998 Dodge Ram 2500 Speaker Wiring Diagram / 98 Dodge Ram 1500 Stereo Wiring Diagram - Wiring ... - A diagram of all the wires and w.. Metra® aftermarket radio wiring harness with oem plug and amplifier integration. Skipping the wiring harness and slicing the wires. Best ebook you must read is stereo wiring diagram 1998 dodge ram. 1993 dodge colt 2dr hatchback wiring information. Assortment of 1998 dodge ram 1500 wiring schematic.

1 trick that we use is to print the same wiring diagram off twice. One of the most time consuming tasks with installing an after market car stereo, car radio, car speakers, car amplifier, car navigation or any … Skipping the wiring harness and slicing the wires. When you employ your finger or follow the circuit together with your eyes, it is easy to mistrace the circuit. Car radio constant 12v+ wire:

98 Dodge 2500 Wiring Diagram - Wiring Diagram Networks
98 Dodge 2500 Wiring Diagram - Wiring Diagram Networks from ricardolevinsmorales.com
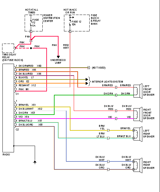
Assortment of 1998 dodge ram 1500 infinity stereo wiring diagram. When you make use of your finger or the actual circuit together with your eyes, it may be easy to mistrace the circuit. 1998 dodge ram 1500 infinity stereo wiring diagram inspirationa 2005. Dodge ram van 1998, aftermarket radio wiring harness by metra®, with oem plug and amplifier integration. 99 dodge ram stereo speaker wiring. Dark green = left front spkr +. This item stereo wire harness oem dodge ram pickup 98 99 00 01 (car radio wiring instal. All circuits are usually the same :

A wiring diagram is a streamlined standard pictorial depiction of an electrical circuit.

1993 dodge colt 2dr hatchback wiring information. One of the most time consuming tasks with installing an after market car stereo, car radio, car speakers, car amplifier, car navigation or any … 4.0 out of 5 stars works for boss stereo and pickup. Whether your an expert hyundai electronics installer or a novice hyundai enthusiast with a 1998 dodge ram 1500 truck, a car stereo wiring diagram can save yourself a lot of time. Were the ultimate dodge ram forum to talk about the ram 1500 2500 and 3500 including the cummins powered models. 1998 dodge ram 1500 truck car stereo radio wiring diagram. Home / the12volt's install bay / vehicle wiring / view all dodge vehicles / 1998 dodge ram pickup vehicle search: A wiring diagram is a streamlined standard pictorial depiction of an electrical circuit. * all information on this site ( the12volt.com ) is provided as is without any warranty of any kind, either expressed or implied, including but not limited to fitness for a particular use. Variety of 1998 dodge ram 1500 wiring schematic. Car radio constant 12v+ wire: Read customer reviews & find best sellers. Black/ light green = ground.

To properly read a electrical wiring diagram, one provides to learn how typically the components within the system operate. A diagram of all the wires and w. * all information on this site ( the12volt.com ) is provided as is without any warranty of any kind, either expressed or implied, including but not limited to fitness for a particular use. Metra® aftermarket radio wiring harness with oem plug and amplifier integration. Assortment of 1998 dodge ram 1500 wiring schematic.

Stereo Install Dash Kit Dodge Ram Pickup 98 99 00 01 (car radio wiring installation parts) by ...
Stereo Install Dash Kit Dodge Ram Pickup 98 99 00 01 (car radio wiring installation parts) by ... from i.pinimg.com
1998 dodge ram 1500 infinity stereo wiring diagram inspirationa 2005. 1998 dodge ram 1500 4x4 stereo wiring. Were the ultimate dodge ram forum to talk about the ram 1500 2500 and 3500 including the cummins powered models. One of the most time consuming tasks with installing an after market car stereo, car radio, car speakers, car amplifier, car navigation or any … 1998 dodge ram 2500 wiring diagram. Whether your an expert hyundai electronics installer or a novice hyundai enthusiast with a 1998 dodge ram 1500 truck a car stereo wiring diagram can save yourself a lot of time. Assortment of 1998 dodge ram 1500 wiring schematic. Car radio switched 12v+ wire:

Read cabling diagrams from bad to positive and redraw the routine as a straight collection.

Any user assumes the entire risk as to the accuracy and use of this information. A wiring diagram is a streamlined standard pictorial depiction of an electrical circuit. 1998 dodge ram 1500 truck car stereo radio wiring diagram jan 07, 2008whether your an expert hyundai electronics installer or a novice hyundai enthusiast with a 1998 dodge ram 1500 truck, a car stereo wiring diagram can save yourself a lot of time. Assortment of 1998 dodge ram 1500 infinity stereo wiring diagram. How to install a radio in a 1999 dodge ram 1500 and other similar models. * all information on this site ( the12volt.com ) is provided as is without any warranty of any kind, either expressed or implied, including but not limited to fitness for a particular use. Best ebook you must read is stereo wiring diagram 1998 dodge ram. Www.justanswer.com read electrical wiring diagrams from bad to positive in addition to redraw the signal like a straight collection. When you employ your finger or follow the circuit along with your eyes, it may be easy to mistrace the circuit. Used these to install a new radio in my 98 dodge ram 1500. Car radio constant 12v+ wire: Whether your an expert hyundai electronics installer or a novice hyundai enthusiast with a 1997 dodge ram 1500 truck, a car stereo wiring diagram can save yourself a lot of time. A beginner's guide to circuit diagrams.

Any user assumes the entire risk as to the accuracy and use of this information. 1997 dodge 2500 lights wiring schematic diagrams bait fast. All circuits are usually the same : 98 dodge ram trailer wiring diagram download. 1986 dodge d100 2dr pickup wiring information.

1998 Dodge Ram 2500 Speaker Wiring Diagram / 98 Dodge Ram 1500 Stereo Wiring Diagram - Wiring ...
1998 Dodge Ram 2500 Speaker Wiring Diagram / 98 Dodge Ram 1500 Stereo Wiring Diagram - Wiring ... from lh5.googleusercontent.com
Whether your an expert hyundai electronics installer or a novice hyundai enthusiast with a 1998 dodge ram 1500 truck a car stereo wiring diagram can save yourself a lot of time. Car radio constant 12v+ wire: Please verify all wire colors and diagrams before applying any information. 1998 dodge ram 1500 truck car stereo radio wiring diagram. 1998 dodge ram pickup car stereo wire colors functions and locations. 1 trick that we use is to print the same wiring diagram off twice. 1986 dodge d100 2dr pickup wiring information. 1992 dodge dakota 2dr ext cab pickup wiring information.

Read book wiring diagram hurricane deck boat panel qse.

Voltage, ground, solitary component, and buttons. Www.justanswer.com read electrical wiring diagrams from bad to positive in addition to redraw the signal like a straight collection. Purple = right front spkr +. We use cookies to give you the best possible experience on our website. Please verify all wire colors and diagrams before applying any information. Assortment of 1998 dodge ram 1500 wiring schematic. Read cabling diagrams from bad to positive and redraw the routine as a straight collection. All circuits are usually the same : One trick that i actually 2 to print exactly the same wiring picture off twice. Click on the image to enlarge, and then save it to your computer by right clicking on the image. Call, chat, or email (we love helping out)! Mates the aftermarket stereo with car wiring harness allow seamless integration of custom stereo with vehicle. How to install a radio in a 1999 dodge ram 1500 and other similar models.

Iklan Atas Artikel

Iklan Tengah Artikel 1

Iklan Tengah Artikel 2

Iklan Bawah Artikel