Wiring Reverse Lights To Trailer Plug / Flush Mount Cubes For Reverse Light Install W Pictures F150online Forums : It should be blk/grn stripe.

Wiring Reverse Lights To Trailer Plug / Flush Mount Cubes For Reverse Light Install W Pictures F150online Forums : It should be blk/grn stripe.. Then 87 or 87a (depending on the relay if nc or no) goes to the lights. Makes backing into your spot at night much easier and. I tapped into the reverse wire in the trailer plug. There's the big fuse panel on the driver's side. Suzco 25 foot 4 wire 4 flat trailer light wiring harness extension kit 4 way plug 4 pin male female extension connector wishbone style with 18 gauge white ground wire with.

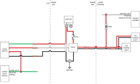
I tapped into the reverse wire in the trailer plug. The 86 side of the relay is ground. This connection provides the required running lights, turn signals, and brake lights for the trailer. The reverse light trigger wire from the 7 pin connector goes to 85 side of the relay. That is where i tapped into.

Wiring Diagrams C B Quality Trailer Works Inc
Wiring Diagrams C B Quality Trailer Works Inc from cbtrailers.com
I tapped into the reverse wire in the trailer plug. If you scroll down a touch, you'll see a wiring chart for each of the different types. On the trailer side the matching pin is again the center pin. • blue reverse lights • green right turn / brakes Free shipping on orders over $25 shipped by amazon. Select your vehicle & trailer connectors to find the correct trailer plug adapter for you. This connection provides the required running lights, turn signals, and brake lights for the trailer. Two relay boxes are mounted beside it.

The charging wire from the 7 pin trailer connector goes to 30 side of the relay.

Not into the plug, but into the wiring going into it. Usally when it has reverse solenoid on trailer it will have a 5 pin flat. They are not shown in the manual. 60 inch led tailgate light bar,504 led triple row truck tail light strip waterproof for pickup trailer suv rv van with 4 pin flat connector wire,turn signal running, brake light,reverse light 4.3 out of 5 stars 55 Get it as soon as fri, jul 23. #4 · oct 13, 2015. Free shipping on orders over $25 shipped by amazon. 4.7 out of 5 stars 74. Trailer wiring color code explanation I would recommend against this. 7 way trailer connector wiring diagram Is there an easy point where the reverse light power can be tapped into. This video shows you how to add super bright reverse lights to your rv or travel trailer for under $50.

So from that pin, you would route wire to reverse lights. Not into the plug, but into the wiring going into it. This connection provides the required running lights, turn signals, and brake lights for the trailer. Npauto 2pcs 6 oval trailer lights white 21 led stop turn tail light backup lights trailer reverse lights for rv truck boat trailer waterproof grommet & plug 4.4 out of 5 stars 65 $21.99 $ 21. The fifth wire (blue) is meant for reverse lights;

Diagram Brophy 7 Way Wiring Diagram Full Version Hd Quality Wiring Diagram
Diagram Brophy 7 Way Wiring Diagram Full Version Hd Quality Wiring Diagram from images-na.ssl-images-amazon.com
Depending on your vehicle and preferences, this may be a constant power source, running light, or reverse light. Two relay boxes are mounted beside it. That is where i tapped into. This trailer wiring diagram with reverse light model is much more appropriate for sophisticated trailers and rvs. It should be blk/grn stripe. Plug the yellow rca wire on the receiver to the yellow rca video input on the monitor. It will need to connect to a reverse light wire behind one of the vehicle tail lights. You don't want to tap into the connections on the plug itself unless you plant to not use the plug for a trailer.

The 86 side of the relay is ground.

5thgenrams.com or splice the white and blue wires off of your existing trailer harness. Plug the yellow rca wire on the receiver to the yellow rca video input on the monitor. The electric brake power wiring is simple from the controller installed in front back to the trailer plug but the reverse lights are a pain. 60 inch led tailgate light bar,504 led triple row truck tail light strip waterproof for pickup trailer suv rv van with 4 pin flat connector wire,turn signal running, brake light,reverse light 4.3 out of 5 stars 55 It should be blk/grn stripe. That is where i tapped into. The fifth wire (blue) is meant for reverse lights; Two relay boxes are mounted beside it. First the black negative ground, then the red positive 'hot' wire. The wiring schematic shows r79 plug terminal 3 as the reverse lights and it is not true, no wire in 3 position at all. The reverse light trigger wire from the 7 pin connector goes to 85 side of the relay. Usally when it has reverse solenoid on trailer it will have a 5 pin flat. If you scroll down a touch, you'll see a wiring chart for each of the different types.

• blue reverse lights • green right turn / brakes Hooking extra backup light to existing back light wire. 4.7 out of 5 stars 70. Used the curt wiring harnesses with the 5 pin reverse light connection and it works great. The charging wire from the 7 pin trailer connector goes to 30 side of the relay.

Auxilary Reverse Lights Through The Trailer Towing Harness F150online Forums
Auxilary Reverse Lights Through The Trailer Towing Harness F150online Forums from www.f150online.com
Select your vehicle & trailer connectors to find the correct trailer plug adapter for you. It will need to connect to a reverse light wire behind one of the vehicle tail lights. The wiring seems to be pretty messed up. Now look under the hood. Maybe i was missing something there, but i didn't want to deal with it and went. The charging wire from the 7 pin trailer connector goes to 30 side of the relay. • blue reverse lights • green right turn / brakes Plug the yellow rca wire on the receiver to the yellow rca video input on the monitor.

Now look under the hood.

It will need to connect to a reverse light wire behind one of the vehicle tail lights. Is there an easy point where the reverse light power can be tapped into. This connection provides the required running lights, turn signals, and brake lights for the trailer. This trailer wiring diagram with reverse light model is much more appropriate for sophisticated trailers and rvs. Suzco 25 foot 4 wire 4 flat trailer light wiring harness extension kit 4 way plug 4 pin male female extension connector wishbone style with 18 gauge white ground wire with. The 86 side of the relay is ground. 7 way trailer connector wiring diagram These lights are wired into the auxiliary wire on the trailer wiring harness. Hooking extra backup light to existing back light wire. The wiring schematic shows r79 plug terminal 3 as the reverse lights and it is not true, no wire in 3 position at all. 4.7 out of 5 stars 74. The suggested minimum for the ground, brake power, and battery hot lead wires is 12 gauge. This connection is needed to disconnect the hydraulic trailer coupler or actuator when the vehicle is backing up, thus deactivating the brakes on a trailer.

Iklan Atas Artikel

Iklan Tengah Artikel 1

Iklan Tengah Artikel 2

Iklan Bawah Artikel